Merci beaucoup.. c'est d'une grande aide.
En prime, voici l'histoire pour vous :
Il y a une semaine, j'ai récupéré une voiture des États-Unis et je l'ai amenée au Canada.
J'ai conduit mon Odyssey 06 chez le concessionnaire Honda pour faire un certificat de sécurité.
Un jour plus tard, lorsque j'ai récupéré ma voiture, ils m'ont facturé 108 $ pour le certificat de sécurité et ne m'ont toujours pas donné de certificat car il n'y avait pas de FEUX DE CIRCULATION DIURNE. Le concessionnaire Honda a suggéré qu'ils pouvaient le faire pour seulement 399 $ + 14 % de TAXE. Et si je veux le faire moi-même, j'ai 7 jours pour leur montrer que j'ai des DRL. Je suis allé dans un service de pièces détachées et j'ai demandé combien coûtent les pièces pour les DRL de HONDA ?
Le vendeur de pièces a été gentil car il a dit qu'il vérifierait la "compatibilité entre les modèles américains et canadiens" et qu'il trouverait la solution.
5 minutes plus tard, il m'a trouvé "la solution" pour 14,99 $ + TAXE. - un relais OMRON 12V NO (normalement ouvert)
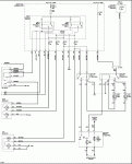
Je l'ai ramené à la maison et j'ai trouvé l'endroit où mettre le relais, mais il n'y avait pas de câbles qui allaient au connecteur. Je suppose que le modèle canadien a ces connexions.
Eh bien, maintenant j'ai le relais, le schéma électrique, un diplôme en électronique et 2 jours pour passer la sécurité

, j'ai lu des choses sur l'installation des DRL dans la Honda Odyssey, donc j'ai bon espoir d'y parvenir ce soir.
Merci encore pour votre aide.